EN 13889 Shackle
Quantité : 20000T
EN 13889 shackle specifies the design, materials, testing, and marking requirements for shackles used in lifting applications. It requires that the shackles be manufactured from high-quality materials and meet certain strength and durability criteria. The standard also specifies testing procedures to ensure that the shackles can withstand the loads and forces they are designed to carry.
When selecting an BS EN 13889 shackle, it is important to choose the right size and working load limit for the specific task at hand to ensure safe and effective use. It is also important to ensure that the shackle is marked with the appropriate information, including the working load limit, the manufacturer's name or trademark, and the EN 13889 standard designation.
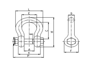
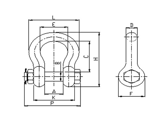
Specifications of EN 13889 Shackle
|
Size |
WLL |
Weight |
Dimensions |
Tolerance |
||||||||||
|
(T) |
(Kg) |
A |
B |
C |
D |
E |
F |
H |
K |
L |
P |
|||
|
3/16" |
0.33 |
0.03 |
9.7 |
6.3 |
22.4 |
4.8 |
15.2 |
14.2 |
37.3 |
19.3 |
24.8 |
36 |
±5% |
|
|
1/4" |
0.5 |
0.048 |
11.9 |
8 |
28.7 |
6.4 |
19.8 |
15.7 |
46.7 |
24.7 |
32.6 |
42 |
±5% |
|
|
5/16" |
0.75 |
0.1 |
13.5 |
9.5 |
31 |
7.9 |
21.3 |
19 |
53 |
29.3 |
37.3 |
49 |
±5% |
|
|
3/8" |
1 |
0.16 |
16.8 |
11.1 |
36.6 |
9.6 |
26.2 |
23.4 |
63 |
36 |
45.4 |
59.5 |
±5% |
|
|
7/16" |
1.5 |
0.22 |
19 |
12.7 |
43 |
11.2 |
29.5 |
27 |
73.9 |
41.4 |
51.9 |
65 |
±5% |
|
|
1/2" |
2 |
0.34 |
20.6 |
16 |
47 |
12.7 |
33 |
30 |
83.5 |
46 |
58.5 |
77.5 |
±5% |
|
|
5/8" |
3.25 |
0.68 |
27 |
19 |
60 |
16 |
42 |
39 |
106 |
59 |
74 |
97 |
±5% |
|
|
3/4" |
4.75 |
1.11 |
31.8 |
22.1 |
71 |
19 |
51 |
47 |
125 |
69.8 |
89 |
109 |
±5% |
|
|
7/8" |
6.5 |
1.66 |
36.6 |
25.1 |
84 |
22 |
58 |
54 |
147 |
80.6 |
102 |
123 |
±5% |
|
|
1" |
8.5 |
2.35 |
43 |
28.1 |
96 |
25 |
68 |
60 |
166 |
93 |
118 |
139 |
±5% |
|
|
1 1/8" |
9.5 |
3.22 |
46 |
31.7 |
107 |
28.5 |
74 |
68.5 |
185.5 |
103 |
130 |
149 |
±5% |
|
|
1 1/4" |
12 |
4.98 |
51.5 |
35.1 |
119 |
32 |
82 |
76 |
208 |
115.5 |
146 |
171 |
±5% |
|
|
1 3/8" |
13.5 |
6.36 |
57 |
38 |
131 |
35 |
89 |
84 |
228 |
127 |
159 |
186 |
±5% |
|
|
1 1/2" |
17 |
8.24 |
60.5 |
41.5 |
148 |
38 |
98 |
92 |
254 |
136.5 |
174 |
194 |
±5% |
|
|
1 3/4" |
25 |
14.29 |
73 |
50.8 |
177 |
45 |
127 |
109 |
303 |
163 |
217 |
328 |
±5% |
|
|
2" |
35 |
20.1 |
82.5 |
57.1 |
197 |
51 |
146 |
127 |
341 |
184.5 |
248 |
260 |
±5% |
|
|
2 1/4" |
42.5 |
31.4 |
95 |
63 |
221 |
57 |
160 |
143 |
283 |
209 |
274 |
302 |
±5% |
|
|
2 1/2" |
55 |
43.6 |
105 |
69.8 |
264 |
66.5 |
184 |
150 |
455 |
235 |
321 |
328 |
±5% |
|
|
3" |
85 |
67 |
127 |
85 |
328 |
76 |
200 |
165 |
546 |
279 |
371 |
378 |
±5% |
|
|
3 1/2" |
120 |
113 |
133 |
95 |
371 |
|||||||||
Personne à contacter : zhongheindustry zhongheindustry, 86 (0)532 84530801
Bonne affaire : acheter au vendeur
Nous vous invitons à lire nos conditions générales d'utilisations. Vous pouvez aussi vous rendre sur nos FAQ et consulter notre page d'informations sur les risques liés à la contrefaçon.
|
Cette page concerne les importateurs et exportateurs de EN 13889 Shackle Rechercher dans la catégorie : Biens d'équipement Rechercher dans la catégorie : shackle |
Monday 08 April 2024
In industrial and commercial settings, lifting rigging hardware refers to a variety of tools and pieces of machinery that are used to attach and lift heavy weights. They could consist of hoists, shackles, hooks, wire ropes, chains, master links, and other lifting equipment. Types...
Qingdao Zhonghe Heavy Industries Co., Ltd.
- 266200 - Qingdao
- 86 (0)532 84530801
Wednesday 20 May 2015
Qingdao S.H.D. Marine Supplies & Accessories Co. , Ltd. is located in Qingdao, which is a beautiful coastal city with pleasant weather and convenient air and sea cargo transportation conditions. The Company is engaged in production and sales of marine valves and rigging products...
Qingdao S.H.D Marine Supplies & Accessories Co.,Ltd.
- 266108 - Qingdao
- +8653267731816
Thursday 08 February 2024
There are strong and powerful salvage magnets for sale at Meank. The name of strong salvage fishing neodymium magnet comes from the use, neodymium magnets used for magnet fishing operations are called neodymium fishing magnets or salvage magnets and search magnets. Magnetic salvage...
NingBo BeiLun Meank Magnetics Co.,ltd.
- 315801 - NINGBO
- 0086 574 86220016
Paiement sécurisé






