Four Row Cylindrical Roller Bearing
Quantité : 4000 pcs/m Prix : 200-1000000
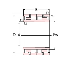
Four row cylindrical roller bearing are kind of separable bearings. The rings and roller components are easily separable. With this feature, the washing, inspection, assembling, disassembling and maintenance are convenient and fast.
Based on the different bore types, ZWA's four-row cylindrical roller bearings are divided into two types, one is with cylindrical bore and the other is with a tapered bore. Based on the different inner design, ZWA's four-row cylindrical roller bearings are divided into FC, FCD, and FCDP types. FC type contains two outer rings, one inner ring, two flanges on outer rings, one center flange in the middle, and no flanges on the inner ring. The inner ring is a complete one. FCD type contains two NN type bearings. In common, FC and FCD type bearings adopt pressed steel cage. Type FCDP contains two inner rings and one loose rib on the outer ring. In general FCDP type's cage is pin-type. Both FC and FCD type can bear axial displacement in two directions and bearings can usually apply in the free end. But as four-row cylindrical roller bearings mainly bear radial loads, in order to accommodate the axial loads, they usually match with deep groove ball bearings or angular contact ball bearings, or tapered roller bearings no matter radial one or thrust one.
ZWA offered four-row cylindrical roller bearings with both pressed steel cage and machined brass cage. ZWA's four-row cylindrical roller bearings have mainly served the customers from steel or metal process. They helped the customer reduce the cost, increase productivity, and prolong the service life of the rolling mills.
Features of four-row cylindrical roller bearings
Higher radial load capacity
Lower friction
Compact internal structure
Higher stiffness
Higher precision
High rotating speed
Interchangeable
Application of four-row tapered roller bearings
The most popular and widely application is the steel &metal process including hot strip and cold strip rolling mills. If you want to know the types of ball bearings and their uses, please contact us.
Personne à contacter : Fu Celine, +86 0411 85518978
Bonne affaire : acheter au vendeur
Nous vous invitons à lire nos conditions générales d'utilisations. Vous pouvez aussi vous rendre sur nos FAQ et consulter notre page d'informations sur les risques liés à la contrefaçon.
|
Cette page concerne les importateurs et exportateurs de Four Row Cylindrical Roller Bearing Rechercher dans la catégorie : Divers Rechercher dans la catégorie : roller, bearing, four, cylindrical |
Sunday 06 October 2013
Quantité : 1 set - Prix : USD89,000
Mobile LED Display EF22-P10(foldable) Chassis Brand OMDM External dimension(folded) 8030mm x 1600mm x 1800mm Material 16 manganese steel External dimension(unfolded) 8030mm x 3200mm x 1800mm Tire Solid rubber tires Total weight 5860kgs Brake hydraulic braker(manual&impact)...
Shanghai Jingxiang Advertisement Communication Co.,Ltd
- Lillian123
- 201900021 - Shanghai
- 008618001970686
Friday 15 December 2017
online katalogOEM PART NO DESCRİPİTİON 66072 Crown Wheel and Pinion FOR CARRARO 13X30 66941 Crown Wheel and Pinion 15x37 2277448 CATERPİLLAR AİR FİLTER OUTER 2277449 CATERPİLLAR AİR FİLTER İNNER 01/117901 FAN BELT 01/124403 FAN BELT 01/124404 02/100073 Oil Filter Canister Type, MEDİUM...
ANAC MAKINA CO LTD STI
- 34800 - İSTANBUL
- +905069691531
- +9005069691531
Tuesday 12 May 2026
Quantité : 1000 - Prix : 2 650,00 €
Foreign trade department: Dongguan Pulin Metal Co., Ltd. was established in year 2005. We have been exporting a wide range of metal inclusive of stainless steel, aluminium, alloy, copper and many more products to worldwide market like North and South America, Europe, Middle East...
Dongguan Pulin Metal Co., Ltd
- 523843 - Changan
- 0086076981871067
- +8613620090485
Paiement sécurisé







