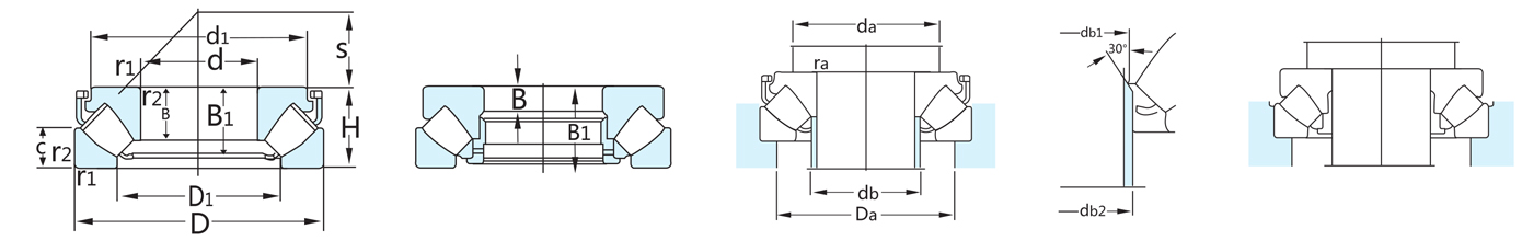
Spherical Roller Thrust Bearings
Spherical roller thrust bearings are a type of rolling element bearing designed to handle axial loads in a specific direction. They feature barrel-shaped rolling elements and self-aligning properties, allowing them to accommodate misalignment and distribute loads over a larger surface area, making them suitable for applications with heavy loads and potential misalignment.
Features of Spherical Roller Thrust Bearings
Spherical roller thrust bearings possess several key features that make them suitable for demanding applications:
1. High load-carrying capacity: These bearings are designed to support heavy axial loads in both directions and can also handle limited radial loads.
2. Self-aligning capability: Spherical roller thrust bearings can accommodate misalignment and shaft deflections, ensuring proper operation and reducing stress on the bearing and surrounding components.
3. Robust construction: They are built with a solid outer ring, sturdy cages, and high-quality materials, providing durability and reliability even under harsh operating conditions.
4. Lubrication options: Spherical roller thrust bearings are available with different lubrication options, including oil or grease, to suit specific application requirements.
5. Versatility: These bearings can be used in a wide range of industries, including mining, construction, paper mills, and wind turbines, due to their ability to handle heavy loads and accommodate misalignment.
There are many spherical roller thrust bearing suppliers, but we are one of the best choices for you.
Personne à contacter : WKB WKB, (+86)0411 85529188
Bonne affaire : acheter au vendeur
Nous vous invitons à lire nos conditions générales d'utilisations. Vous pouvez aussi vous rendre sur nos FAQ et consulter notre page d'informations sur les risques liés à la contrefaçon.
|
Cette page concerne les importateurs et exportateurs de Spherical Roller Thrust Bearings Rechercher dans la catégorie : Artisanat Rechercher dans la catégorie : thrust, roller, spherical, bearings |
Sunday 24 April 2016
Quantité : 3000000000 - Prix : USD 0.82/sq.meter
Customized Shape paper slip sheet for Heavy transport Perfect Paper Slip Sheet,Brand RongLi Any special size is available. Environment-friendly 1) General description The slip sheet is used as a unit load support device in vehicle delivery and transportation of products. When...
Qingdao YiPinRongLi International Trading Co., Ltd.
- 266300 - Qingdao
- +15 6 53 26 81 76
Thursday 10 March 2016
Quantité : min order - Prix : USD 0.82/sq.meter
Tear strength paper slip sheet Perfect Paper Slip Sheet,Brand RongLi Any special size is available. Environment-friendly 1) General description The slip sheet is used as a unit load support device in vehicle delivery and transportation of products. When slip sheets are supported...
Qingdao YiPinRongLi International Trading Co., Ltd.
- 266300 - Qingdao
- +15 6 53 26 81 76
Sunday 27 March 2016
Quantité : 3000000000 - Prix : USD 0.82/sq.meter
2016 Hot Sale Cardboard Paper Sheet Used in Container Perfect Paper Slip Sheet,Brand RongLi Any special size is available. Environment-friendly 1) General description The slip sheet is used as a unit load support device in vehicle delivery and transportation of products. When...
Qingdao YiPinRongLi International Trading Co., Ltd.
- 266300 - Qingdao
- +15 6 53 26 81 76
Paiement sécurisé





