Flat Sheet Ceramic Membrane
The flat sheet ceramic membrane is a new type of high temperature plate porous ceramic membrane, which is prepared by high temperature sintering process using inorganic materials such as alumina. Compared with the organic film, ceramic flat membrane has the advantages of good chemical stability, good reliability, long service life and strong anti-pollution ability.
Advantages of Flat Ceramic Membrane
Long life and no degradation
Strong resistance to acid, alkali and to organic solvent; Suitable for all kinds of wastewater containing solvents and chemicals
Strong hydrophilic and better anti- pollution property
Better Mechanical properties, no broken wires phenomenon of hollow fiber membrane
Easy to wash lower cleaning frequency, suitable for all kinds of membrane cleaning methods
Low operating cost and energy saving
FCM Application Area
Membrane Bioreactor (MBR)
Industrial wastewater treatment (e.g. paper mill wastewater treatment)
Seawater desalination pretreatment
Municipal wastewater treatment
Domestic sewage treatment
Hospital wastewater treatment
Landfill leachate treatment
Pretreatment of RO system
Case 1: Sewage treatment in Industrial park
Project: 1000 t/d
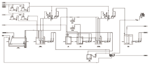
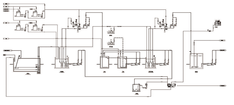
Process
(pic1)
Project
Membrane area 2600㎡, Membrane size: 250*6*1046mm, Membrane material: Al2O3, Membrane pore size: 100nm
case 2: Wastewater treatment in food industry
Project: 200 t/d
Project location: Guangdong
Inlet water:
High oil content, SS, heavy metal ion, COD and BOD, nitrogen, phosphorus
Project
Membrane area 300㎡, Membrane size: 250*6*1046mm, Membrane material: Al2O3, Membrane pore size: 100nm
Personne à contacter : Ding Claire, 025 58109595
Bonne affaire : acheter au vendeur
Nous vous invitons à lire nos conditions générales d'utilisations. Vous pouvez aussi vous rendre sur nos FAQ et consulter notre page d'informations sur les risques liés à la contrefaçon.
|
Cette page concerne les importateurs et exportateurs de Flat Sheet Ceramic Membrane Rechercher dans la catégorie : Pro / B2B Rechercher dans la catégorie : flat, ceramic, sheet, membrane |
Wednesday 05 August 2015
Nous vendons sauf vente entre temps la machine suivante : * Heidelberg MOVP-S+, Année 1987 Réf. D1283 48x65 - 4 Couleurs - env. 69 mio impressions Equipée avec : CPC 1.01 ( Control encre et registre) Mouillage Alcolor Réfrigération Baldwin Margeur Mabeg Margeur à Nappe ...
ACS DIFFUSION s.a.s.
- acsdiffusionsa
- 42952 - Saint-Etienne
- 0033 (0)4 77 92 77 88
- 06 10 63 37 83
Saturday 02 April 2016
We are the first patented waterproof LED Corn light in China. LED Replacement Lamps for Metal Halide / High Pressure Sodium/High Intensity Discharge/CFL Material Private mode 6063 Aluminum thermal structure; High quality aluminum processing technique; Special su rface treatment process...
Shenzhen snuoer technology Co., LTD
- 518103 - shenzhen
- +86 755 18682173476
Friday 06 September 2013
Quantité : 63 - Prix : 11 111,00 €
Notre société tunisienne de commerce international vous propose l'export de produits tunisiens authentiques: feuille s de brique, harissa, couscous, halwa chamia, salade méchouia, concentré de tomates, boissons gazeuses, tomates séchées, pâtisserie traditionnelle (baklawa, kaak, bjaouia...)
ROYAL INTERNATIONAL TRADING
- 2055 - BORJ CEDRIA
- +21 6 71 43 02 41
- +21 6 26 98 50 07





